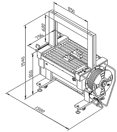
Reggiatrice automatica a rulli motorizzati
Testa orizzontale
Reggia in polipropilene da 8 a 12 mm
- Piano di scorrimento a rulli motorizzati
- Rulli in inox zigrinati
- Caricamento reggia automatico
- Controllo elettronico del tensionamento
- Dimensione arco 850x600 standard